Friday, July 5, 2013

Fuzzy-PI untuk Coupled-Tank

Saya awali dokumen ini dengan Nama Alloh, Tuhan Semesta Alam, Sang Maha Pengasih dan Maha Penyayang

Download: [pdf] [program matlab] [referensi]

Abstrak

Sebagian besar Proses di industri fisika dan kimia adalah proses Multi Input Multi Output (MIMO), dan banyak diantaranya memiliki interaksi silang antar masing-masing input dan outputnya. Two Input Two Output (TITO) adalah contoh sederhana dari proses MIMO. Dibanding dengan Single Input Single Output (SISO), proses TITO lebih sulit dikendalikan karena terdapat interaksi silang antara variabel input dan outputnya.

Umumnya, terdapat dua metode dalam merancang kontroler untuk proses TITO. Pertama, metode modern, menggunakan kontroler terpusat/tunggal dan kedua, metode klasik, menggunakan kontroler terdesentralisasi.

Saya coba paparkan, dalam dokumen ini, bagaimana merancang kontroler Fuzzy-PI dengan teknik Decoupling untuk plant Coupled-Tank (TITO).

Plant Coupled-Tank

Berikut adalah foto dari Plant Coupled-Tank (1).

image

image

Gambar 1 Plant Coupled-Tank (1) (2)

Coupled-Tank dalam bahasan kita sekarang adalah contoh untuk proses TITO. Tujuannya adalah mengatur level/ketinggian air dalam dua tangki dengan dua pompa. Input dari plant ini adalah u1(t), u2(t) [tegangan input untuk pompa] dan output plant ini adalah h1(t), h2(t) [ketinggian air di tangki 1 dan tangki 2].

Dinamika plant ini dapat kita modelkan dengan persamaan diferensial berikut (1)

image

image

Persamaan 1 Model matematika Coupled Tank

Keterangan:

A = Luas penampang tangki 1 dan 2 (cm2),

a = luas penampang lubang keluaran tangki 1 dan 2 dan saluran penghubung antara tangki 1 dan 2 (cm2),

β1 dan β2 adalah rasio bukaan katup (valve) pada lubang keluaran tangki 1 dan 2,

βx adalah rasio valve antara tangki 1 dan tangki 2,

h1ss, h2ss adalah ketinggian air (steady-state) pada tangki 1 dan 2,

g adalah gravitasi (cm2/s) dan

k1, k2 penguatan (gain) pompa 1 dan 2 (cm3/V.s).

Persamaan 1 ini dapat ditransformasi ke dalam Matriks Transfer Function berikut. (1)

image

dimana

image

image

image

image

image

Persamaan 2 Matriks transfer function untuk Coupled-Tank

Keterangan:

h1ss, h2ss adalah ketinggian air (steady-state) pada tangki 1 dan 2,

T1 adalah konstanta waktu pada tangki 1,

T2 adalah konstanta waktu pada tangki 2, dan

Tx adalah konstanta waktu antara tangki 1 dan tangki 2.

Lalu kita tetapkan parameter dan titik kerja dari plant (1).

Tabel 1 Parameter Plant

A (cm­2)

66.25

a (cm­2)

0.1963

β1

0.35903

β2

0.45848

βx

0.38705

Tabel 2 Titik kerja dari Plant

u1 (V)

2.5

u2 (V)

2

h1ss (x10% Range)

2.749

h2ss (x10% Range)

3.262

k1 (cm3/V.s)

2.88

k2 (cm3/V.s)

2.588

Dengan mensubtitusikan nilai parameter dan titik kerja ini ke Persamaan 2, Kita dapatkan Matriks Transfer Function berikut.

Persamaan 3 Matriks transfer function dengan nilai parameter dan titik kerja (1)

image

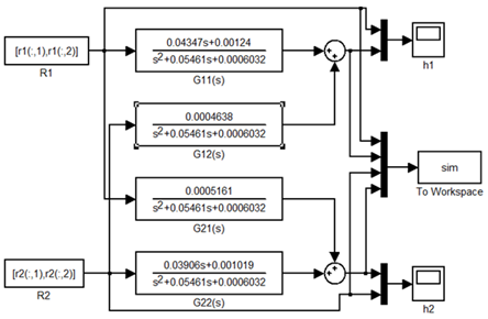
Matriks Transfer Function di atas direalisasikan dalam diagram blok berikut.

image

Gambar 2 Diagram blok Plant Coupled Tank (TITO) (1)

Decoupling

Plant Coupled-Tank memiliki dua input dan output yang punya pengaruh silang. Kita lihat pada Gambar 2, output h1(t) tidak hanya dipengaruhi oleh u1(t) tetapi juga dipengaruhi oleh u2(t), begitu juga dengan h2(t). Plant atau proses semacam ini dapat disederhanakan seakan-akan seperti proses Single Input Single Output (SISO) dengan teknik Decoupling. Decoupling mentransformasi model TITO ke dalam SISO untuk memudahkan analisis dan perancangan kontroler. Perhatikan Gambar 3.

image

Gambar 3 Diagram blok Plant dengan Decoupling (1)

dimana

image

Dengan menggunakan Matriks Transfer Function pada Persamaan 3, didapatkan bahwa

image

Kontroler 2-DOF Proportional-Integral (PI)

Numsomran, et.al (1) merancang kontroler 2-Degree of Freedom Proportional-Integral untuk mengendalikan Plant Coupled-Tank. Lihat Gambar 4. Decoupling mentransformasi proses Coupled-Tank (TITO) menjadi seolah-solah dua proses SISO yang independen. Di tiap SISO, karakteristirk sistem dianalisis dengan metode Root Locus untuk menentukan parameter kontroler PI.

image

Gambar 4 Desain Kontroler 2-DOF PI (1)

Untuk plant pada Persamaan 3, didapatkan kontroler feedback PI [C(s)] dan kontroler prefilter [F(s)] sebagaimana berikut.

image

Penjelasan selengkapnya, dapat Anda baca pada (1).

Kontroler Fuzzy-PI

Diagram blok sistem pengaturan Coupled Tank dengan kontroler Fuzzy-PI ditampilkan pada Gambar 5. Proses dikendalikan dengan kontroler PI dan Fuzzy Logic bertugas mengatur parameter kontroler PI (tuning). Istilah variabel PI (pada Gambar) memiliki makna kontroler PI yang parameternya (Kp dan Ki) dapat diubah. Fuzzy Logic menerima dua input (sinyal error dan delta error) dan menghasilkan dua output (∆Kp dan ∆Ki).

image

Gambar 5 Diagram blok pengaturan tertutup dengan kontroler Fuzzy-PI (3)

Kontroler PI dibangun dengan persamaan kontinyu:

image

dimana nilai Kp dan Ki selalu diupdate dengan persamaan

Kp = Kp’ + ∆Kp dan Ki = Ki’ + ∆Ki, nilai ∆Kp dan ∆Ki didapat dari Fuzzy Logic. Kp’ dan Ki’ adalah Ki sebelum waktu ke-t.

Fuzzy Logic dibangun oleh tiga bagian penting:

1. Fuzzifikasi: mentransformasi nilai input ke dalam nilai linguistik. Terdapat dua variabel input, yaitu e(t) dan de(t)/dt. Masing-masing variabel input dipetakan ke dalam lima variabel linguistik dengan fungsi keanggotaan (Membership Function) Triangle, yaitu Negative Big (NB), Negative Small (NS), Zero (Z), Positive Small (PS), dan Positive Big (PB). Membership Function (MF) untuk variabel input dan output dapat dilihat pada Gambar 6 s.d. Gambar 9.

image

Gambar 6 Membership Function untuk Input 'error'

image

Gambar 7 Membership Function untuk input ‘de/dt'

image

Gambar 8 Membership Function untuk output '∆Kp'

image

Gambar 9 Membership Function untuk output '∆Ki'

2. Aturan Fuzzy: Tabel aturan yang menghubungkan variabel linguistik input dan output.

Tabel 3 Aturan Fuzzy untuk output Kp

image

Tabel 4 Aturan Fuzzy untuk output 'Ki'

image

3. Defuzzifikasi: mentransformasi nilai linguistik menjadi nilai output dengan metode Mamdani Centroid. Defuzzifikasi menghasilkan dua nilai output yaitu ∆Kp dan ∆Ki yang akan digunakan untuk mengupdate parameter kontroler PI.

Set-Poin untuk Simulasi

Dalam beberapa simulasi berikut, digunakan set-poin pada Tabel 5. Sinyal r1(t) dan r2(t) adalah sinyal tegangan listrik (dalam stauan Volt) yang mewakili ketinggian air yang diinginkan pada tangki 1 dan tangki 2.

Tabel 5 Set-point

 

t = 0s

t = 100s

t = 300s

t = 400s

t = 500s

r1(t)

2

3

0

4

0

r2(t)

4

0

5

0

6

Simulasi 1: Respon Open Loop

image

Diagram Simulink untuk Simulasi Open Loop (file: openloop.mdl)

image

Respons Plant Coupled Tank Open Loop

Simulasi 2: Respon Closed Loop

image

Diagram Simulink untuk Simulasi Closed Loop (file: closedloop.mdl)

image

Respons Plant Coupled Tank Closed Loop

Simulasi 3: Closed Loop dengan Decoupling

image

Diagram Simulink untuk Simulasi Closed Loop dengan Decoupling (file: decoupling.mdl)

image

Respons Plant Closed Loop dengan Decoupling

Keterangan:

# Masih ada error steady-state

Simulasi 4: Closed Loop, Decoupling + Kontroler Proportional Integral (PI)

image

Diagram Simulink untuk Simulasi Closed Loop dengan Decoupling dan Kontroler 2-DOF PI (file: twodofpi.mdl)

image

Respons Plant Coupled Tank untuk Kontroler 2-DOF PI dengan Decoupling

Keterangan:

# Error steady-state nol

# Overshoot terjadi setiap pergantian set-point

Simulasi 5: Closed Loop, Decoupling + Kontroler Fuzzy-PI

image

Diagram Simulink untuk Simulasi Closed Loop dengan Decoupling dan Kontroler Fuzzy-PI (file: fuzzypi.mdl)

image

Respons Plant Coupled Tank untuk Kontroler Fuzzy-PI

Keterangan:

# Error steady-state nol

# Overshoot terjadi hanya pertama kali, di set-point pertama

Petunjuk Penggunaan Simulink Fuzzy-PI

1. Buka Matlab

2. Ubah Current Directory pada folder ‘nurq’

3. pada command window, ketik ‘setpoint’ lalu tekan enter

4. ketik ‘fuzzy’ lalu tekan enter, akan muncul kotak dialog FIS Editor

5. tekan ctrl+o (open), lalu pilih file ‘fuzzypi5.fis’

6. klik menu ‘File -> Save to workspace’, lalu keluar dari FIS Editor

7. tekan ctrl+o, lalu pilih file fuzzypi.mdl

8. jalankan simulasi

9. pada comman window, ketik ‘ploter’ lalu tekan enter

10. jika tidak ada masalah, maka akan muncul grafik

11. jika ingin menjalankan simulasi ini sekali lagi, pada command window, ketik ‘clearpersistent’ lalu tekan enter

12. jalankan simulasi sekali lagi (langkah 8)

Penutup

Sekian, Segala Puji Milik Alloh, Tuhan Semesta Alam

Daftar Pustaka

1. Design of 2-DOF PI Controller with Decoupling for Coupled-Tank Process. Numsomran, Arjin, Suksri, Tianchai and Thumma, Maitree. Seoul, Korea : s.n., 2007. International Conference on Control, Automation and Systems. p. 339.

2. Decentralized Fuzzy Logic Controller for TITO Coupled-Tank Process. Pornpatkul, Chatchaval and Suksri, Tianchai. Fukuoka, Japan : s.n., 2009. ICROS-SICE International Joint Conference.

3. Fuzzy Adaptive PID for Flow Control System based on OPC. Manjunath, R. Manoj and Raman, S. Janaki. 2011, IJCA Special Issue on "Computational Science - New Dimensions & Perspectives", p. 5.

2 comments:

  1. Bang admin, mau tanya dong. Couple tank itu apa si? Fungsinya buat apa? Terus pemodelannya itu bagaimana si bang? Ane masih ga paham bang sama rumus pemodelan mtknya. Kebetulan saya sedang ada tugas kampus terkait seperti jurnal abang ini. Tentang couple tank, bang mohon arahannya dong bang. Saya masih newbie bgt dalam dunia kontrol proses saya mau belajar bang.

    ReplyDelete
    Replies
    1. Coupled tank itu dua tangki air yang saling terhubung di bawahnya. Konon banyak dijumpa di industri kimia dan makanan. Model matematiknya ada di persamaan dh1/dt dan dh2/dt. Trims

      Delete